
電池の容量を測りたい
我が家ではリモコンであったり、時計であったりに大量?のニッケル水素電池が稼働しています。
たまに、電池の寿命(容量)がやけに短い?と思うことがあります。
ニッケル水素といえど、充電池は劣化することで寿命が短くなることが知られています。
では、実際のところどれぐらい短くなっているのか測定してみることにしました。
我が家で使われている充電池は主に、Panasonicのこちらのもので容量は2000mAhです。

電池の容量は、電流値を時間で積分すれば測定できます。
2000mAhとは2000mAで放電したとき1時間で無くなる、という意味です。
このような定義を知らなくても、書かれている容量の単位がmAhであることが分かれば容易に推定できます。
ニッケル水素電池は標準で1.2Vとされています。
充電直後は1.4Vぐらいある場合もありますが、ここでは1.2V以上を出力できるまでを電池容量とします。
2000mAhとは言いますが、電池は2000mAも出力することは出来ません。
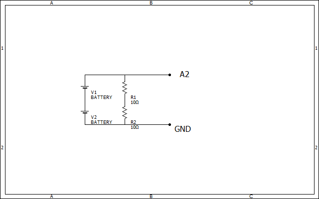
感覚的には200mAぐらい(最大でも300mA)かな?と思いますが、試験回路としては、なるべく大きな電流を流したほうが測定時間は短くできますが部品の定格を考えて、1/4wの10Ω抵抗を2本直列にすることにしました。

測定の効率を考えて(電池ボックスが2本直列のものしかなかったので)電池を2本直列(1.4 x 2 V)にし、抵抗の電力を1/4w以下、電流を200mA以下となるようにします。
最大の電流が流れるのは、充電直後でこの時抵抗1本あたり1.4V / 10Ω * 1.4V = 196mWで1/4w以下です。
また回路の電流は2.8V / 20Ω = 140mAで200mA以下です。
このような回路を使ってラズパイで電圧を記録していきます。
しかしながら、ラズパイにはアナログ入力がありません。
そこで、Arduinoのアナログ入力をラズパイに送って記録することにしました。
シリアル通信を作る
こちらのシリアル通信 Arduino→Raspberry Pi を参考にArduinoからラズパイにデータを送る仕組みを作ります。shizenkarasuzon.hatenablog.com
ArduinoをUSBでラズパイに接続します。
ラズパイゼロはMicroUSBしかないので、変換ケーブルを使います。ラズパイ3や4ではそのまま接続できます。
認識されたかどうかは
lsusbで確認できます。
まずはサンプルコード(LED出力は削除)を試してみます。
// Arduinoで電圧の読み取りしSerialに出力 void setup(){ Serial.begin(115200); } void loop(){ Serial.println("LED ON"); delay(1000); Serial.println("LED OFF"); delay(1000); }
# ラズパイで PythonでSerial受信 import serial import time ser = serial.Serial('/dev/ttyACM0', 115200) while True: String_data = ser.read() print(String_data) ser.close()

1文字づつ出力されますがこれでは扱いにくいので、改行区切りになるように、改行しない限り文字列を結合するようにします。
import serial import time ser = serial.Serial('/dev/ttyACM0', 115200) data = "" while True: buf = ser.read() if buf != "\n": data += buf else: print(data) data = "" ser.close()

これで、シリアル通信は完成です。
電池の電圧を測定する。
電圧の読み取りはArduinoでanalogReadです。 int val=analogRead(A2);
Serial.println(val);
試しに電池の電圧を測定してみます。

1.18V でAD240です。
5Vで1023なので 1.18 / 5 *1024 =241.4 なのでだいたい合ってそうです(誤差1%以下)。
これで、経過時間と電圧をカンマ区切りでprint()します。
実際に測定するときは、ラズパイでnohupにしてnohup.outに出力させます。
import serial import time from datetime import datetime as dt ser = serial.Serial('/dev/ttyACM0', 115200) start = dt.now() print(start) data = "" prev = start timer = 10 while True: try: buf = ser.read().decode('utf-8') if (dt.now() - prev).seconds < timer and buf == "\n": continue else: if buf != "\n": data += buf else: t = dt.now() - start prev = dt.now() print(str(t)+" , "+data) data = "" except: pass ser.close()
ざっくり試算では2000mAhを140mAで、約14時間かかります。(2000mAh / 140mA = 14.2h)
結果発表

約12時間で電圧が1.2Vを切りました。
抵抗は実測で21Ωでした。誤差は±1Ωとします。
これを寿命とし、区分求積法で時間 x 電流で容量を求めると、1386±66mAhとなりました。
定格の約70%です。思ったより多いです。
もう一組測定してばらつきをみてみます。

同様に1.2Vを切るまでで電流容量を求めると1447±69mAhとなりました。
4%ほど多いです。また1.2Vを下回っても急激に電圧が落ちるまではもう少しあり、実際にはさらに10%ぐらい使えるかもしれません。
念のため重ねて比較してみます。

まとめ
ニッケル水素電池の容量が減っている気がしたので実測してみました。
およそ70%程度にまで減っているといえそうです。
いつから使っているかはっきり覚えていませんが10年ぐらい使っています。
まだまだリモコンや時計などには使えます。