プログラミング素人のはてなブログ

プログラミングも電気回路も専門外の技術屋の末端が勉強したことや作品をアウトプットするブログ。コードに間違いなど見つけられたら、気軽にコメントください。 C#、Python3、ラズパイなど。

2018-02-11から1日間の記事一覧

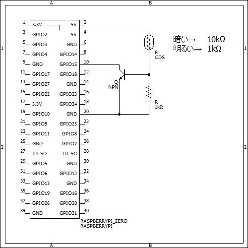
ラズパイのGPIOを使う

youtu.beまずは、ラズパイでGPIOの基本的な使い方を確認していきます。 ↓のような回路を作って、CDSで明るさを検出し、LEDを制御します。 回路図用パーツを作るここで、回路図は水魚堂のエディタhttp://www.suigyodo.com/online/schsoft.htmを使っていますが…